wentylatory od mondeo

chłodnice wody, chłodnice oleju, oleje, termostaty itp.

Moderator: Moderator

Awatar użytkownika
Kanarek
-#Klubowicz
-#Klubowicz
Posty: 107
Rejestracja: sob 14 lut, 2015 20:30
Lokalizacja: Gościcino

Chce zrobić na nowo wiązkę pod dwa elektryczne wentylatory od mondeo, na dwóch przekaźnikach i termowłączniku 3 pinowym, ale zastanawiam się jakiej grubości dać przewody, gdzie i jaki dać bezpiecznik :)

PS. szukałem co nieco na forum, ale nie znalazłem nic ciekawego, tyle tylko, że niby bezpiecznik 30a, ale tak na 100% nie jestem pewny
Ostatnio zmieniony pt 02 mar, 2018 16:43 przez Kanarek, łącznie zmieniany 1 raz.
Awatar użytkownika
MEFisto087
-#Moderator
-#Moderator
Posty: 4139
Rejestracja: pt 08 paź, 2010 12:29
Lokalizacja: WM_____

termo włącznik 3 pinowy może sterować 2 wentylatorami - i w zależności czy sterujesz + czy masą taki do niego podajesz na pin główny(wejściowy) i taki wyprowadza się sygnał po zapięciu z pozostałych 2 pinów i nie łapie zasilania czujnika przez przekaźnik chyba że chcesz mieć go na wyłączniku :P już bardiej miało by to sens w drugą stronę - zasilasz czujnik on przy zapięciu na temp puszcza sygnał na przekaźnik który sie zapina i odpala wentylator (wtedy na czujniku nie masz dużego prądu i nie powinien się spalić), tylko daje sygnał a większy prą idzie przez przekaźnik) sam brałem przekaźniki z zintegrowanymi bezpiecznikami 30A na alledrogo - jeden mam sterowany "+" na przełączniku z kabiny i 2 sterowane "-" przez dispaly z driftshopu

A teraz upraszczam:

Masz zły schemat
Dajesz bezpośrednie zasilanie na czujnik (on puszcza dalej zasilanie przy odpowiednich temp. powinieneś mieć dwa progi zapięcia opisane)

Czujni puszcza napięcie i wprowadzasz je jako sygnał zapinający przekaźniki (bezpiecznik co najmniej 30A na przekaźnik dajesz na zasilaniu głównym przekaźnika albo kupujesz takie z wbudowanym, bezpiecznie też jest dać bezpiecznik na zasilaniu czujnika)

Zapięty przekaźnik zasila wiatraki i się kręcą :P

i tu jeszcze link do starego tematu: topics51/elektryczne-wentylatory-do-ca1 ... 413,15.htm
Ostatnio zmieniony czw 01 mar, 2018 15:48 przez MEFisto087, łącznie zmieniany 4 razy.
Sucz 200sx S13
Pickup D22
Parch Patrol Y60<= Sprzedany
Opinie w dziale Giełda
Obrazek
"If it isn’t broken, don’t fix it"
Awatar użytkownika
Kanarek
-#Klubowicz
-#Klubowicz
Posty: 107
Rejestracja: sob 14 lut, 2015 20:30
Lokalizacja: Gościcino

nowy schemat, parę komentarzy niżej :wink:
Ostatnio zmieniony pt 02 mar, 2018 16:44 przez Kanarek, łącznie zmieniany 1 raz.
Awatar użytkownika
luki343
Stary Wyjadacz
Stary Wyjadacz
Posty: 515
Rejestracja: pn 12 lip, 2010 10:15
Lokalizacja: Sokołów/Warszawa

Bezpiecznik przy czujniku wystarczy Ci 5 amper (cewka nie potrzebuje dużo prądu), przejrzałem twój obrazek na szybko i wydaje się że jest ok.

Ja mam wentylatory od primery (P12 albo P11) + termowłącznik (chyba z Transportera 3), u mnie kable sterujące mają 1mm2, a zasilające 4mm2.
CA18
Awatar użytkownika
szaman
-#Moderator
-#Moderator
Posty: 3203
Rejestracja: śr 13 sie, 2008 22:00
Lokalizacja: Bielsko-Biała

jezeli masz wenty z mondeo, to moze miales razem z nimi rezystor wmontowany w plastik?
jesli tak i masz wiazke z tych wiatrakow, to da sie zrobic dwa biegi przy jego pomocy.

ja mam w kabinie wylacznik 2 pozycyjny i wlaczam I lub II bieg wiatrakow ;)
mozna tez zrobic tak ze 1 bieg z czujnika/termowylacznika a drugi z kabiny co jest bezpiecznym rozwiazaniem, w razie sklerozy ;) cos tak jak Mef pisal :)

U mnie jest bezpiecznik 30A na zasilaniu wiatrakow,
na zasilaniu przekaznikow jakis mniejszy
onepointeightT
--------------------------
Aby wstawić zdjęcia na forum należy(przy użyciu hostingu Zdjęcia Google):
- wrzucić fotki do zdjęcia google,
- dodać zdjęcia do wybranego albumu,
- będąc w albumie i posiadając zdjęcie na fullscreenie kliknąć prawym klawiszem myszy i wybrać "Kopiuj adres obrazu",
- na forum podczas pisania posta przy użyciu znaczników "IMG" wstawić wcześniej skopiowany link.
Awatar użytkownika
Golec
-#Klubowicz
-#Klubowicz
Posty: 379
Rejestracja: ndz 27 mar, 2011 12:36
Lokalizacja: Piaseczno

tak jak napisał Mef, sterowanie czujnika zrób po masie. Chcesz miec dwa oddzielnie włączane wentylatory, dlatego stosujesz 3 pinowy czujnik tak?

ja miałem zasilanie zrobione na jednym przekaźniku starej polskiej produkcji (typ 542), 4 pinowy. Sterował dwoma wentylatorami, na zasilaniu bezpiecznik 30A i bez problemu smigało, jednak to byly wentylatory ze scorpio.

teraz bede robic dwie instalacje do wentylatorów z mondziaka i z ciekawości sprawdze czy też to ogarnie jeden przekaźnik i bezpiecznik :D


edit:
a no i ogolnie nie ogarniam Wojtek tych schematów co narysowałeś :D
Ostatnio zmieniony czw 01 mar, 2018 22:43 przez Golec, łącznie zmieniany 3 razy.
Awatar użytkownika
Kanarek
-#Klubowicz
-#Klubowicz
Posty: 107
Rejestracja: sob 14 lut, 2015 20:30
Lokalizacja: Gościcino

luki343, też mam czujnik od jakiegoś vw :)

szaman, po tym oryginalnym rezystorze została tylko wtyczka :| miałem teraz tak, że przy jakiejś temp załączał się jeden, a potem drugi i chce tak samo, tylko na nowych częściach i nowej wiązce, a starą wyrzuciłem i zapomniałem sprawdzić jak było :roll:

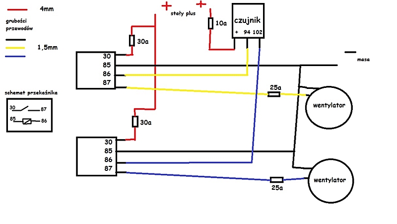
Golec, to w końcu do czujnika dać mase, czy stały plus?? :P tak chce dwa oddzielnie włączane wentylatory, jeden będzie załączał się przy 94 stopniach, a drugi przy 102 ;) Schemat postaram się wrzucić jutro jakiś lepszy (przejrzysty), żeby później ktoś inny mógł go odczytać jak będzie przerabiał wisco na elektryczne wiatraki :)
Awatar użytkownika
MEFisto087
-#Moderator
-#Moderator
Posty: 4139
Rejestracja: pt 08 paź, 2010 12:29
Lokalizacja: WM_____

To co napisałem jest z podaniem + na czujnik jako sterowanie.

Standardowe przekaźniki 4 pinowe podajesz napięcie tak, jeżeli sterujesz + :
pin 30 - stałe zasilanie (bezpiecznik 30A)
pin 86 - wyzwalanie/sygnał - czyli podpięte po termo-włącznik
pin 85 - masa stała przekaźnika
pin 87 - zasilanie wiatraków (napięcie powinno pojawić się dopiero po zapięciu przekaźnika, podaniu napięcia na pin 86)

czyli jeszcze raz, jak sterujesz + :

podajesz zasilanie (może być z jakimś małym bezpiecznikiem bądź nie) na termo-włącznik (nie wiem jak który pin ale powinny być opisane :P )

Termo-włącznik przy odpowiednich temp przekaże sygnał dalej, najpierw na jeden pin, potem na kolejny,(czyli z tego co piszesz przy 94 stopniach, a drugi przy 102 - pomyśl o zmianie na jakiś z niższymi temperaturami) i z tych pinów prowadzisz sobie kabelki na zapięcie/wzbudzenie przekaźnika. Piny przekaźnika podpinasz tak jak opisałem wyżej z przekaźnika puszczasz kabel do wiatraków i jako że nie masz rezystora z mondeo, zaczynają one pracować na 100% wydajności

____________________________________________________________


jeżeli chcesz sterować masą i podasz ją na termo-włącznik - to tak jak powyżej tylko na logikę masz sterowaną masę jako wyzwalającą cewkę (aż zerknę jak to podpinałem u siebie w sobotę i potwierdzę :P )
Ostatnio zmieniony pt 02 mar, 2018 15:33 przez MEFisto087, łącznie zmieniany 3 razy.
Sucz 200sx S13
Pickup D22
Parch Patrol Y60<= Sprzedany
Opinie w dziale Giełda
Obrazek
"If it isn’t broken, don’t fix it"
Awatar użytkownika
Kanarek
-#Klubowicz
-#Klubowicz
Posty: 107
Rejestracja: sob 14 lut, 2015 20:30
Lokalizacja: Gościcino

dobra, miałem chwilę wolnego w pracy więc poprawiłem schemacik, mam nadzieje, że jest dobry i czytelny :D dodałem kilka bezpieczników i grubości kabli :)
Załączniki
mondeo
mondeo
Awatar użytkownika
luki343
Stary Wyjadacz
Stary Wyjadacz
Posty: 515
Rejestracja: pn 12 lip, 2010 10:15
Lokalizacja: Sokołów/Warszawa

Teraz to przekombinowałeś :)

Tak ma być:
Grube (czerwone i 2 czarne) kable na schemacie to 4mm2, reszta to 1mm2.

Edit:
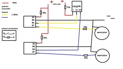
Dodałem drugą wersje.
Obojętnie która zrobisz, będzie dobrze :)
Załączniki
went.jpg
went2.jpg
Ostatnio zmieniony pt 02 mar, 2018 20:38 przez luki343, łącznie zmieniany 1 raz.
CA18
Awatar użytkownika
Kanarek
-#Klubowicz
-#Klubowicz
Posty: 107
Rejestracja: sob 14 lut, 2015 20:30
Lokalizacja: Gościcino

Czyli już prawie mi się udało :D Dzięki luki343, za poprawki w przyszłym tygodniu zabieram się za wiązke :)
tuper
Coś już wiem
Coś już wiem
Posty: 54
Rejestracja: sob 05 maja, 2012 15:48
Lokalizacja: Kraków

Uważam że lepiej kupić przekaźnik 40A, przy przekaźniku 30A czasami się zacinał bo jak później się okazało styki się przypalały. Przy nowych śmiga jak złoto. Ja dodatkowo dla awaryjnych sytuacji zamontowałem sobie też włącznik z kabiny w sytuacji gdyby coś stało się z termowłącznikiem.
Awatar użytkownika
kamilp1908
-#Klubowicz
-#Klubowicz
Posty: 1435
Rejestracja: śr 30 maja, 2007 07:06
Lokalizacja: Płock/Warszawa
Kontakt:

Daj bezpiecznik 40A, mi 30 palil gdy kilka razy włączalem i wyłączalem wiatraki. One maja straszny pobór pradu podczas rozruchu.
Turbo zaczyna pompować, a tylne koła wariować :D
ODPOWIEDZ

Wróć do „Układ chłodzenia, ciecze”